Sursa laborator digitala DPS5015
Articolul aici de fata este un soi de continuare a celui care prezinta modificarea de surse ATX, este una dintre aplicatiile concrete care se pot deservi in urma asimilarii procedurii de modificare descrise de mine acolo. Exte vorba despre realizarea unei surse de laborator constand dintr-un regulator digital DPS5015 de pe ebay, si o sursa ATX ceva mai buna, modificata de mine la o iesire de putere de 35Vcc stabilizati, si la un curent de 10A ( deci 350W ), pentru a deservi partea de alimentare. Carcasa este una personalizata, mi-am proiectat-o in ceva soft CAD si-am comandat-o apoi la Cristinel_bm ( face treaba excelenta! ).
Sursa de alimentare
Este asa cum am spus o sursa de calculator ( ATX ), Chieftec ATX-1136H, pe care am modificat-o eu dupa procedura descrisa anterior. Cerintele au fost:
-Iesire principala stabilizata 35Vcc la 10A pentru alimentare;
-Iesire auxiliara stabilizata si izolata galvanic de 12V la 1A pentru ventilator;
Sursa donatoare
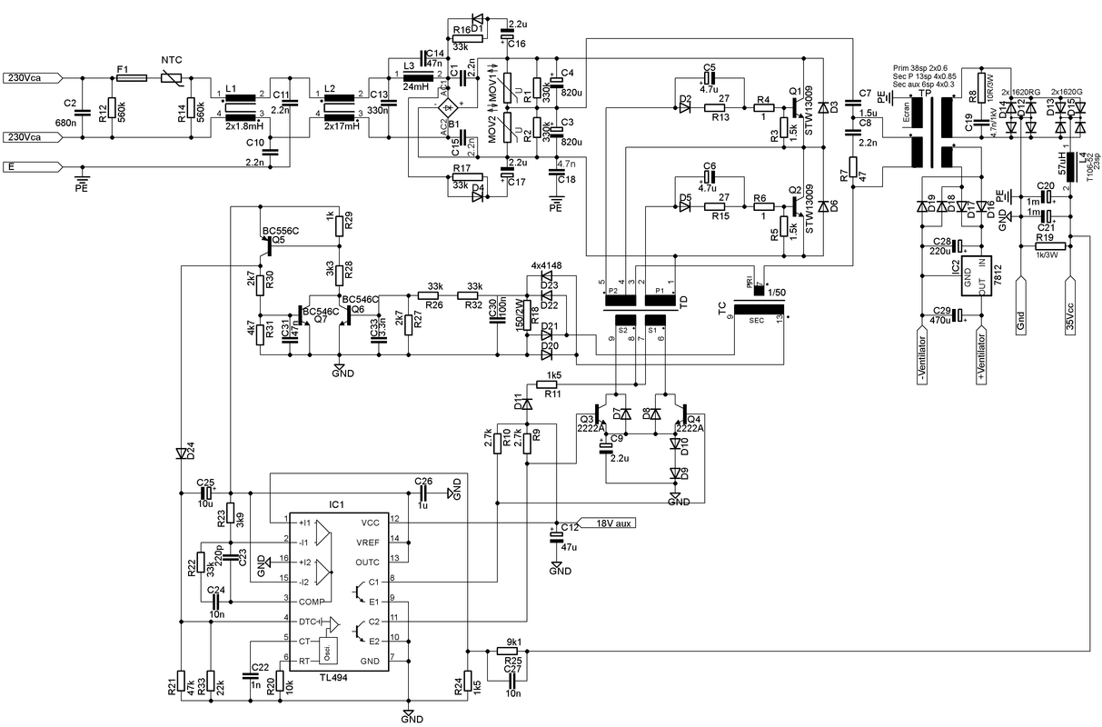
Am demontat sursa si defrisat toata partea de secundar, urmand sa refac controlul si protectia pe placute separate:
Schema ramasa dupa defrisare:
Miezul nu sunt sigur nici de material si nici de notatie, la dimensiuni este identic cu ETD39, mai putin lungimea bratelor care la asta este de 23mm fata de 19mm la ETD39.
Am cautat prin ceva cataloage online dar n-am gasit ceva identic cu asta...nu ca ar conta.
Am bobinat primarul cu 38 de spire cu 2x0.6mm, impartite in 2 jumatati cu secundarele intre ele.
Secundarul de putere este din 13 spire cu 4x0.85mm.
Secundarul auxiliar este din 6 spire cu 4x0.3mm.
Folia ce se vede in poza este ecranul, o spira izolata, cu un capat la pamantare ( asa a fost proiectata sursa in original, eu doar am reprodus solutia ).
La inductanta serie am folosit T106-52, era deja bobinat fiind recuperat dintr-o alta sursa, am desfacut toate infasurarile, mai putin pe cea de +12V de pe care am redus-o la 23 de spire, obtinand astfel inductanta dorita ( 57uH ).
Schema cu partea de control si iesirile completate:
Am inlocuit tranzistorii din primar cu STW13009 pentru ca pe cei originali ii arsesem la niste teste.
Am si din cei originali ( adica 2SC2625 ) dar astia mi-au cazut cu tronc ![]()
Rezultatul a fost cel dorit, 35,6Vcc stabili cu 10A, asa ca a urmat protectia.
Asa cum se poate vedea in schema, sursa foloseste pentru protectie un traf de curent, in varianta originala se monitoriza doar o semialternanta, unul din bratele secundarului trafului de curent fiind legat la masa, iar celalalt dus la masa prin rezistenta de sarcina de 150R, si dupa ea o dioda 4148 pentru redresare.
Eu am intrerupt legatura la masa de la bratul secundarului trafului de curent pentru ca mi-am dorit sa redresez si sa folosesc ambele semialternante.
La implementarea protectiei sursa mi-a dat ceva de lucru, nu am reusit sa obtin rezultatele dorite cu varianta comparator cu mentinere pe care am publicat-o in schemele anterioare ( nu imi este clar motivul in ciuda testelor asistate de osciloscop, o anomalie careia nu i-am gasit explicatie ), asa ca am apelat la varianta cu tiristorul simulat publicata tot in topic, aceasta a functionat ok dupa ceva optimizari, schema finala ajungand astfel:
Pragul protectiei este undeva pe la 16A, iar interventia este ferma si foarte rapida, adica exact asa cum trebui ca sa fie sigura.
Poze de pe parcursul lucrului:
Aici cand a fost vorba de montat placa inauntru in carcasa, mi-am dat seama ca am omis faptul ca pfc-ul pasiv era pozitionat chiar in zona de la iesiri si nu avea loc de placutele alea facute de mine si montate veritical, a trebuit sa le desfac si repozitionez ![]()
In caz ca va intrebati de ce am montat sursa in carcasa...
Vreau sa profit de racirea foarte buna cu cele 2 ventilatoare, si de ecranarea pe care carcasa metalica legata la pamantare o faciliteaza ( am pamantare la toate prizele, instalatia electrica fiind refacuta complet de mine ). Carcasa sursei finale va fi facuta pe comanda, si voi proiecta un loc pentru sursa asta, ceva in genul carcaselor de PC.
Ceva oscilograme.
Primarul in gol:
Primarul in sarcina:
Secundarul trafului de curent cu 150R sarcina pe el, si 10A curent la iesirea sursei ( cea de 35V ):
Foarte important!
Daca stiti deja asta, atunci puteti ignora, eu ma vad nevoit sa repet ca sa fiu sigur ca se evita artificii sau Doamne fereste tragedii...
Monitorizarea primarului cu osciloscopul am facut-o alimentand sursa printr-un traf separator, ( in cazul meu unul de 1000W )!
Secundarul sursei la cca 3A:
Am masurat si riplul pe iesire in sarcina maxima ( putin peste 10A )
Aici ceva riplu de retea ( cam 60mVv, 100hz ):
Zgomotul il voi atenua cu un filtru LC pozitionat pe alimentarea regulatorului ( nu mai era loc in carcasa pentru o inductanta serioasa ).
Si bonus, variatia de la pinul 4 al TL494, la pornire:
Asa functioneaza soft start-ul la 494, initial la pornire, condensatorul dinspre referinta fiind descarcat trage pinul 4 spre Vref ( se vad in oscilograma cei 5V de la vaf ).
Cu 5V acolo, integratul forteaza timp mort maxim ( pragul de la care timpul mort este maxim e pe la 3V ), deci umplerea este 0 la pornire.
Imediat dupa pornire, rezistenta dinspre masa incarca logaritmic condensatorul, tragand pinul 4 spre masa, tensiunea in pinul 4 scade deci logaritmic, si scazand astfel gradual si timpul mort impus, deci marindu-se umplerea. Tensiunea acolo nu scade niciodata la 0 deoarece pinul 4 este polarizat intern pe la 0,1V.
Am facut si un test de anduranta ca sa observ temperaturile si comportamentul sursei.
Dupa mai bine de 30 de minute de tras putin peste 350W din ea am oprit-o si am masurat temperaturile cu o sonda din aia de multimetru.
Aerul oricum era tot relativ rece si dupa cele 30 de minute de sarcina.
Cel mai mult am gasit pe bobinajul trafului, putin peste 50*C, radiatorul diodelor avea cam 48*C, radiatorul tranzistorilor 44, miezul trafului cam 40, miezul inductantei serie tot aproximativ 40. Pentru o sursa de laborator, temperaturile astea sunt foarte ok ( ce-i drept ma asteptam sa fie ok la ce viscol fac cele 2 ventilatoare prin carcasa ).
Regulatorul digital
Poze cu sursa asamblata:
Sursa de alimentare asigura 35Vcc stabilizati cu 10A, iata cei 350W regasiti la iesirea regulatorului:
SI cateva teste care demonstreaza precizia limitarii de curent :
La achizitionarea regulatorului DPS5015 am ales varianta full cu 2 placute aditionale de control, una prin USB si una prin bluetooth cu ajutorul unei aplicatii de pe mobil.
Momentan nu am implementat niciuna dintre ele, poate o sa pun placuta de bluetooth la un momentdat, vom vedea.
Rezultatul final este o sursa de laborator care poate oferi 15A pana la peste 24V ( am obtinut 15A si la 30V insa greu de crezut ca o sa am nevoie vreodata de atat ).
Ambele reglaje sunt foarte precise, plus beneficiez de facilitatile unui control full digital pe care eu personal mi-e greu sa cred ca as fi fost in stare sa-l implementez tinand cont ca la programare stau foarte prost.
Toate cele bune.
Marian Berbece.





















































Comentarii
Trimiteți un comentariu